CS41H自由浮球式蒸汽疏水阀
- 销售:
- 销售:
- 传真:
详情介绍
- 产品介绍
- 服务承诺
- 订货流程
CS41H自由浮球式蒸汽疏水阀
性能优点
1、 能连续排放饱和凝结水加热设备不会有水积聚,从而获得高的热效率。
2、 蒸汽压力变化时不受影响浮球带动杠杆自动调节阀座孔的开度,工作连续,性能稳定,
3、 排空气性能好。自动排空气装置能排出不凝结的冷热气体,无气锁现象,工作平稳无噪音。
用途
用于蒸汽加热设备和凝结水回收系统及需要快速排除凝结水的工况,能自动、迅速、连续地排除凝结水,有效地阻止蒸汽泄漏,并获得好的加热效果。
工作原理
该阀利用浮力原理,浮球根据凝结水量的多少随水位的变化而作升降,自动调节阀座孔的开度,连续排放凝结水。当凝结水停止进入时,浮球靠自重降到底部,关闭排水阀座孔。由于排水阀座孔在凝结水位以下,水汽自然分离,形成水封,达到无蒸汽泄漏。
使用和保养
1、 应确认阀体的材料、压力和温度的大值能否满足工况所需。
2、 在安装前需要清洗管道,除去杂物。
3、 安装位置应尽可能靠近加热设备。
4、 应水平安装在管路的低点,流向与阀体上标注的方向一致。
5、 每台加热设备要各自安装疏水阀,以免互相影响。
6、 在保证系统能运行时,缓慢开启疏水阀钱的阀门,使其逐渐升温至正常状态。
7、 要定期保养,保证疏水阀正常工作。
选型主要依据
凝结水负荷(排液量)kg/h(选用倍率2-3倍)
高工作压力 MPa
工作压差 MPa
阀体材料和公称压力
连接方式和尺寸
性能参数/主要部件材料表
低工作压力 | 0.01MPa | 铸钢高允许温度 | 425℃ |
小过冷度 | ≈°C0 | 不锈钢高允许温度 | 525℃ |
有负荷漏气率 | ≈0 | 适用介质 | 饱和蒸汽、凝结水 |
高允许背压率 | 80% | 排空气装置 | 不锈钢/合金 |
阀体、阀盖 | WCB/304 | 浮球 | 不锈钢 |
阀座 | 2Cr13/304 | 过滤网 | 不锈钢 |


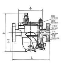
主要外形连接尺寸
型号 | 公称通径 | L | H | H1 | ∅ |
16 S11H-25 CB 40 | 15 | 195 | 197 | 100 | 126 |
20 | 195 | 201 | 104 | 130 | |
25 | 215 | 210 | 105 | 140 | |
16 S11H-25 CD 40 | 25 | 270 | 245 | 135 | 172 |
32 | 270 | 245 | 135 | 172 | |
40 | 280 | 275 | 160 | 172 | |
50 | 290 | 275 | 160 | 172 | |
CS41H-16F | 50 | 410 | 350 | 175 | 234 |
65 | 410 | 350 | 175 | 236 | |
80 | 430 | 390 | 245 | 260 | |
100 | 430 | 415 | 255 | 265 | |
125 | 480 | 506 | 311 | 302 | |
150 | 480 | 506 | 311 | 302 |
良好的品质、优良的服务 开云官方版网站在线登入-开云KaiYun(中国)为你创造更多价值!
“开云官方版网站在线登入-开云KaiYun(中国)”的期望,不断提升服务质量,精益求精,“真诚的服务”是“开云官方版网站在线登入-开云KaiYun(中国)”永恒的主题。“开云官方版网站在线登入-开云KaiYun(中国)”严格按照IS09001-2000 质量体系认证要求,质量严格把关, 责任到人,确保生产、销售、服务的健康运行。加强与用户沟通,竭诚为广大客户提供优良产品,至善至美服务。特此我厂做出以下承诺:
产品标准:
产品严格按照中国GB、HG 标准和美国API等标准设计、制造、验收。密封面硬度达到国家规定要求,宽度超过国家标准。
售前服务:
产品介绍,技术交流,非标产品设计,疑难解答。
售中服务:
守信合同,保证及时供货,随时保持与客户联系。 对特殊或复制的产品,我厂安排技术人员对用户进行产品使用、故障排除
售后服务:
1、“开云官方版网站在线登入-开云KaiYun(中国)”牌产品品质期为自出厂起12个月,实行“三包”服务(包退、包换、保修)。
2、产品在使用中我厂定期组织技术、质检人员进行访问,征询用户对产品质量、 使用状况、改进意见等方面的反馈, 以便进一步提高产品质量。
3、对用户投诉质量问题,快速作出反应,售后服务人员在24-36小时(省外48小时)赶赴现场。
4、对售后服务,要求用户填写服务后的质量反馈信息表,并作出鉴定意见,以便提高开云官方版网站在线登入-开云KaiYun(中国)的服务质量。
1、客户如对产品有特殊要求,须在订货合同中提供以下说明:
a、结构长度;
b、连接形式;
c、公称直径、全通径、缩径、管道尺寸;
d、运行介质及温度、压力范围;
e、试验、检验标准及其他要求
2、本厂可根据客户特定要求配置各类驱动装置。
3、如由客户提供确定的阀门类型和型号时,客户应正确说明其型号的含义和要求,在供需双方理解一致的条件下签订合同。
4、期货、订货的客户请先来电函详细告诉所需的阀门型号、规格、数量以及交货时间、地点,并按总的30%预定金或全额货款及时汇入我厂帐户,其余货款待发货前汇入,以便及时安排发货。
订单流程:
1、客户采购清单传真至,或来电咨询
2、收到客户采购清单,为客户提供阀门型号选型与报价(价格清单)。
3、具体商定:交货期、特殊要求等事宜。
订货须知:
1、客户如对产品有特殊要求,须在订货合同中提供以下说明:
|
|||||
|
|||||
2、本厂可根据客户特定要求配置各类驱动装置。
|
|||||
3、如由客户提供确定的阀门类型和型号时,客户应正确说明其型号的含义和要求,在供需双方理解一致的条件下签订合同。
|
|||||
4、期货、订货的客户请先来电函详细告诉所需的阀门型号、规格、数量以及交货时间、地点,并按总的30%预定金或全额货款及时汇入我厂账户, 其余货款待发货前汇入,以便及时安排发货。
|
售中服务:
守信合同,保证及时供货,随时保持与客户联系。
对特殊或复制的产品,我厂安排技术人员对用户进行产品使用、故障排除
售后服务:
1、“开云官方版网站在线登入-开云KaiYun(中国)”产品品质期为自出厂起12个月,实行“三包”服务(包退、包换、保修)。
2、产品在使用中我厂定期组织技术、质检人员进行访问,征询用户对产品质量、使用状况、改进意见等方面的反馈,
以便进一步提高产品质量。
3、对用户投诉质量问题,快速作出反应,售后服务人员在24-36小时(省外48小时)赶赴现场。
4、对售后服务,要求用户填写服务后的质量反馈信息表,并作出鉴定意见,以便提高“开云官方版网站在线登入-开云KaiYun(中国)”的服务质量。
声明 |
|